300
1000
首页
公司简介
新闻动态
公司新闻
行业新闻
产品展示
用户留言
联系我们
SWL蜗轮丝杆升降机
R系列斜齿轮硬齿面减速机
S系列斜齿轮蜗轮减速机
K系列螺旋锥齿轮减速机
F系列平行轴斜齿轮减速机
HB标准工业齿轮箱
T系列螺旋换向器
WP铸铁蜗轮蜗杆减速机
NMRV蜗轮蜗杆减速机
精密行星减速机
P系列行星齿轮减速机
G系列全封闭齿轮减速机
JWM螺旋升降机
X/B系列摆线针轮减速机
WB微型摆线减速机
伺服电机
内容编辑
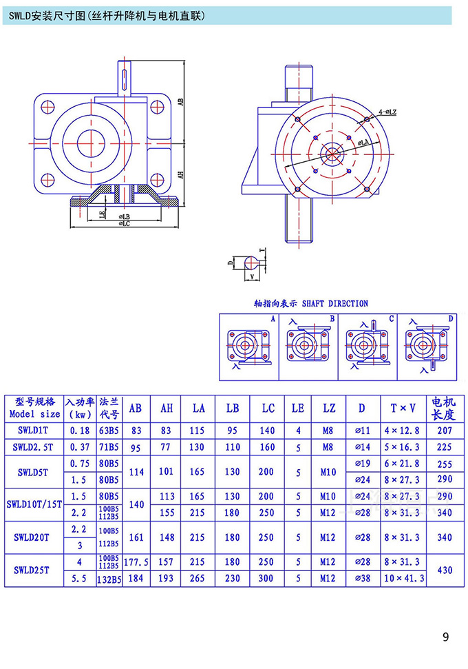
SWLD丝杆升降机安装尺寸
来源: 发布时间: 2014-06-07 17:00 1365 次浏览 大小:
16px
14px
12px
SWLD丝杆升降机安装尺寸
上一篇
:
丝杆升降机的应用举例
下一篇
:
电机参数及安装尺寸